sales@copperry.com

BRIDAS DIN86037

Fabricante de bridas DIN 86037

OEM según su dibujo, el mejor precio.

Material

CuNi90/10 ,CuNi70/30,C70600,C71500

Talla

DN15 a DN810

Presión nominal

10Bra,16Bar

Embalaje

Caja de madera marinera

Estándar

DIN86037

Soldadura DIN86037 Tipos de bridas interiores

COPPERRY puede producir la brida interior cuni material CuNi10Fe1.6Mn y CuNi30Fe1.0Mn para su proyecto.

cuni90 10 falanges interiores

Brida interior CuNiFe

bridas interiores de soldadura cuni

Brida interior CuNi 90/10

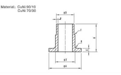
DIN86037 copper nickel inner flange dimensions

pulgadaOD(mm)WT(mm)ØAHCØXR10Bar Wt(kg)
0.75251.5584052730.17
1301.5684053240.24
1.25381.5784054040.26
1.544.51.58845646.540.42
2571.51024565950.53
2.576.121224567850.64
388.921385079150.86
41082.515850711051.1
51332.5188507135.551.5
61592.5212509161.552

din86037 bridas exteriores

  • Material: A105 (galvanizado en caliente), 316L, aleación de aluminio. La brida exterior es de aleación de aluminio porque es ligera y resistente a la corrosión del agua de mar.

  • Norma: DIN 86037-parte 3
  • DIN 86037 Brida compuesta formada por brida interior y exterior de CuNi
  • Bridas interiores y exteriores de cobre-níquel separadas por juntas de nylon y PTFE. Evitan que se produzca corrosión galvánica al entrar en contacto ambos materiales.
din86037-brida exterior.webp

Productos de brida DIN86037

Las bridas DIN86037 están formadas por una brida interior de cobre niquelado y una brida exterior de acero al carbono. El siguiente vídeo muestra la brida interior DIN86037 acabada.

COPPERRY lleva 20 años fabricando bridas DIN86037. De DIN86037 brida forja en blanco, recocido, CNC, inspección de productos, para ofrecerle productos garantizados.

Por qué elegirnos Brida interior CuNi

1, Nuestra brida interior de cobre níquel estándar DIN86037, o collar de cobre níquel, está hecha de forja. Algunas fábricas eligen la fundición para reducir el coste.
2, Cada brida interior de cobre níquel se embala individualmente en una caja de cartón personalizada para evitar daños.
3、Productos de acuerdo con los requisitos de la marca, jugando el logotipo de su empresa.

cobre níquel brida interior
cobre níquel brida empaquetadura

DIN86037 flange packing

Each cuni90/10 DIN86037 flange is individually packaged in a paper box to prevent impact damage.  Since the cuni90/10 material is relatively soft, we’ll pack your goods in sturdy wooden crates.

DIN 86037 Inspección de bridas

Nuestro cliente din86037 orden brida interior, el cliente vino personalmente a nuestra empresa para su inspección.

Inspección din 86037 brida Dimensión

Dimensión de inspección

Los clientes utilizan calibradores vernier para medir las dimensiones de altura, espesor de pared y diámetro exterior de la brida din86037 cuni. las dimensiones medidas por el cliente de nuestro producto coinciden exactamente con el dibujo.

din86037 brida Inspección de la composición química

DIN86037 brida Inspección de la composición química

Nuestra empresa pone a disposición de los clientes espectrómetros importados de Alemania. El cliente prueba la composición química de cada especificación de bridas din86037, que cumple con los requisitos de la norma para cuni90/10.

din86037 pesa brida

pesa

El cliente pesa din86037 brida cuni estándar de pequeño a grande en una balanza electrónica.

proceso de producción

cobre níquel brida corte
cobre níquel brida en blanco
brida de cobre níquel

Brida DIN 86037 : Una guía completa

DIN 86037 Brida Introducción

COPPERRY Con más de 20 años de fabricación, somos especialistas líderes en la industria en la producción de bridas DIN86037. Después de haber servido a numerosos astilleros en China y en todo el mundo.

Aplicaciones en la construcción naval

La brida interior de cobre-níquel está diseñada para proteger contra la corrosión del agua de mar. Garantiza una larga vida útil y un rendimiento fiable.

Protección de la brida de acero:

Se trata con un proceso de galvanizado en caliente para protegerlo del aire salino de a bordo y acelerar el proceso de oxidación.

Bridas DIN86037 -- Dimensiones bridas interiores cobre níquel

din86037 bridas Dimensión

Montaje y sellado

La brida interior DIN86037 y la brida exterior de acero galvanizado en caliente - están firmemente sujetas con pernos, creando un sellado superior. La brida DIN 86037 ofrece una solución eficaz, duradera y rentable para los requisitos de la construcción naval. prometen no sólo calidad y rendimiento, sino también la garantía de longevidad.

Ventaja de la brida DIN8037

Las bridas DIN86037 son más baratas que las bridas de cuello alto de cobre y níquel. DIN86037 bridas son bridas sueltas, la brida exterior se puede girar, se puede instalar fácilmente la brida en el sitio.

DIN86037 ¿Es necesario aislar las bridas con junta?

Se recomienda equipar la brida din86037 con un revestimiento aislante. La brida interior de cobre níquel y la brida exterior de acero al carbono son dos metales. El contacto entre dos metales diferentes producirá corrosión por diferencia de potencial.

ps: la corrosión por diferencia de potencial es más grave que la corrosión por agua de mar.

¿Sus bridas interiores CuNi10Fe1.6Mn son forjadas o fundidas?

Podemos responder inequívocamente que nuestra brida interior CuNi10Fe1,6Mn se fabrica a partir de forja de barra maciza.

No utilizamos firmemente la fundición para fabricar la brida interior CuNi10Fe1.6Mn. Porque la brida de fundición tiene agujeros de aire y no es lo suficientemente dura. Esto conduce a fugas y corrosión grave durante el uso real.

A continuación se muestra la foto del análisis metalográfico de la brida interior de fundición CuNi10Fe1.6Mn.

En la imagen de abajo pueden verse los defectos de la brida de fundición CuNi10Fe1,6Mn.

prueba de brida interior cuni 90 10

Preparación del análisis metalográfico de bridas CuNi

Análisis metalográfico de la brida interior cuni 90:10

A, B, C, tres puntos para realizar análisis metalográficos

Análisis metalográfico de la brida interior cuni 90:10 A

Los cristales dendríticos, alargados, se indican en el estado de Fundición.

Análisis metalográfico de la brida interior cuni 90:10 B

Estructura claramente moldeada con orientación cristalina desordenada y caótica.

Análisis metalográfico de la brida interior cuni 90:10 A

Hay agujeros de aire e impurezas, no hay forja.

es_ESSpanish

Obtenga un presupuesto instantáneo de nuestros asesores más experimentados.

Charlemos

Obtenga un catálogo gratuito